excellent reviews view over 10000 reviews
international shipping to over 35 countries
no hassle returns buy with confidence
Honda Filter Finder

Wacker WP1540 Parts Diagram & Manual

Hannah Published on May 20, 2020 View Comments
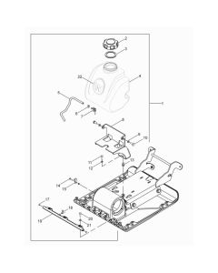
Wacker WP1540 Forward Plate Compactor

This section contains useful resources for the Wacker WP1540 Forward Plate Compactor. Designed for compacting asphalt and interlocking paving stones as well as for the compaction of mixed soils in confined spaces. The tough, wear resistant, ductile cast iron base plate provide maximum performance and manoeuvrability. Idea for use in road construction, they are perfectly suited for the compaction of sandy and granular sub bases for paths, roads and car parks.

Downloadable Parts Diagram

Please download the PDF parts manual for the WP1540 Forward Plate Compactor using the link below.

Parts Diagram (PDF)

Downloadable Operators Manual (Early Model)

Please download the PDF operators manual for the WP1540 using the link below.

Operators Manual (PDF)

Downloadable Operators Manual (Later Model)

Please download the PDF operators manual for the WP1540 using the link below.

Operators Manual (PDF)

Popular Products for the Wacker WP1540

  1. Water System Assembly
    Water System Assembly

    Starting at £0.48 £0.40

  2. Water System for Wacker VP1340W
    Water System for Wacker VP1340W

    Starting at £0.48 £0.40

  3. Water System Assembly
    Water System Assembly

    Starting at £0.50 £0.42

  4. Water System Assembly
    Water System Assembly

    Starting at £0.48 £0.40

  5. Water System for Wacker VP50X
    Water System for Wacker VP50X

    Starting at £0.48 £0.40

  6. Water System Assembly
    Water System Assembly

    Starting at £0.48 £0.40

  7. Water System for VP1340R
    Water System for VP1340R

    Starting at £0.48 £0.40

  8. Water System Assembly
    Water System Assembly

    Starting at £0.48 £0.40

Recently viewed products