Description
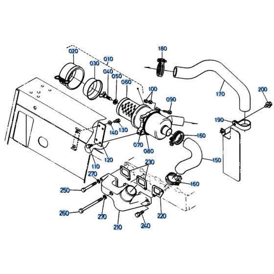
The Air Cleaner Assembly for the Kubota KH41 Mini Excavator is designed to ensure optimal engine performance by filtering out dust and debris. This assembly includes key components such as filters, clamps, and seals, which are essential for maintaining clean airflow and protecting the engine. Genuine Kubota parts ensure compatibility and reliability, making it suitable for routine maintenance and repairs.
Reviews
Add a review
Write Your Own Review
Ask a Question
Customer Questions

