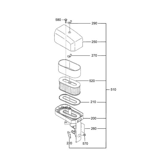
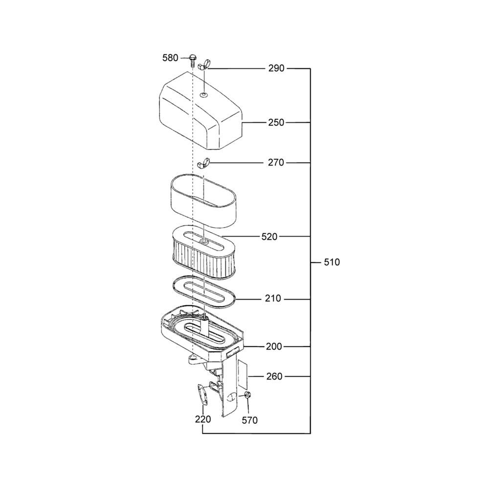
Description
The Air Cleaner Assembly for the Wacker PG2 Pump is essential for maintaining optimal performance and longevity. This assembly ensures clean airflow, protecting the engine from dust and debris. It includes components such as filters, seals, and housings, specifically designed for the Wacker Neuson Clear Water Pump. Regular maintenance with genuine parts helps prevent wear and extends the service life of your equipment.
Reviews
Add a review
Write Your Own Review
Ask a Question
Customer Questions

