Description
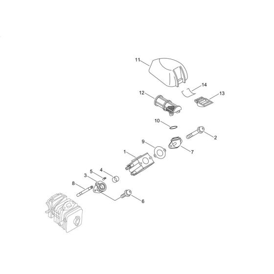
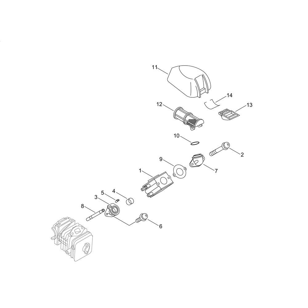
The Air Cleaner and Carburettor for the Shindaiwa 362WS Chainsaw are essential for maintaining optimal performance and efficiency. These components ensure clean air intake and precise fuel mixing, crucial for engine longevity and reliability. Available parts include filters, gaskets, and adjustment screws, designed to fit seamlessly with the Shindaiwa 362WS model.
Reviews
Add a review
Write Your Own Review
Ask a Question
Customer Questions

