Description
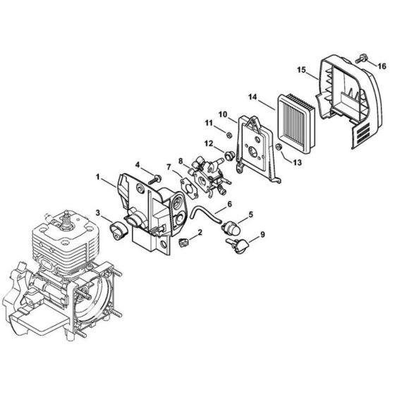
The Air Filter Assembly for Stihl SP 481 Special-Purpose Units is designed to ensure optimal performance by maintaining clean airflow to the engine. This genuine Stihl part helps reduce wear from dust and debris, extending the service life of your equipment. Components such as hoses, clamps, and seals are included to support routine maintenance and repair tasks.
Reviews
Add a review
Write Your Own Review
Ask a Question
Customer Questions

