Description
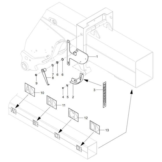
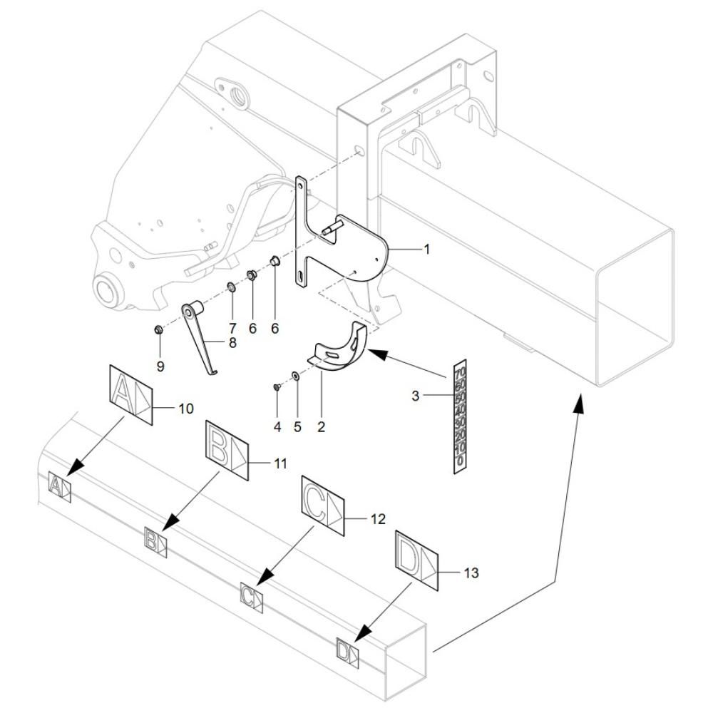
The Angle Adjustment Assembly for the Wacker TH750 (416-38) Telehandler is designed to ensure precise positioning and alignment. This assembly includes components such as levers, brackets, and fasteners, essential for maintaining optimal performance and safety. Genuine Wacker Neuson parts guarantee compatibility and durability, supporting efficient operation in various construction tasks.
Reviews
Add a review
Write Your Own Review
Ask a Question
Customer Questions

