Description
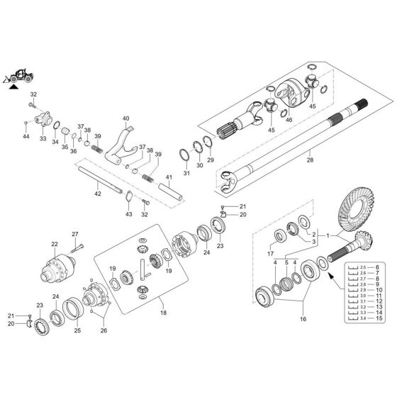
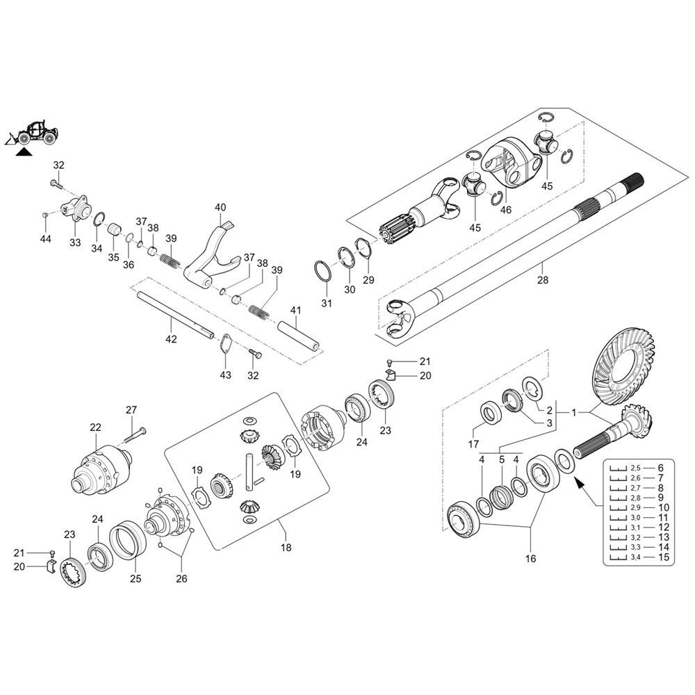
The Angle Drive Assembly for the Wacker TH627 Telehandler is crucial for efficient power transmission and manoeuvrability. This assembly includes key components such as gears, shafts, and bearings, ensuring optimal performance. Designed for durability and reliability, it supports the telehandler's front-end operations, enhancing productivity in various construction tasks.
Reviews
Add a review
Write Your Own Review
Ask a Question
Customer Questions

