Description
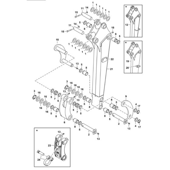
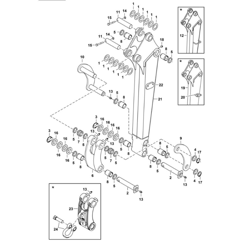
The Arm Assembly for BobCat E10 Mini Excavators is designed to ensure optimal performance and durability. This assembly includes various components essential for the machine's operation, such as hydraulic cylinders, pins, and bushings. Suitable for models with serial numbers A33P11001 to A33P17234, it supports efficient excavation tasks.
Reviews
Add a review
Write Your Own Review
Ask a Question
Customer Questions

