Description
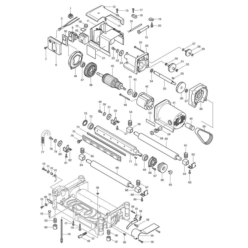
The Armature, Housing, Switch Assembly for the Makita 2012NB Planer includes key components to ensure optimal performance and longevity. This assembly is crucial for maintaining the planer's efficiency, providing reliable operation during woodworking tasks. Genuine Makita parts ensure compatibility and durability, with options available for different component needs.
Reviews
Add a review
Write Your Own Review
Ask a Question
Customer Questions

