Description
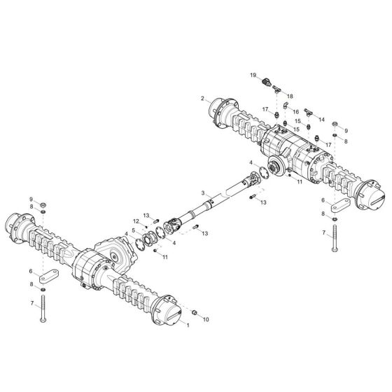
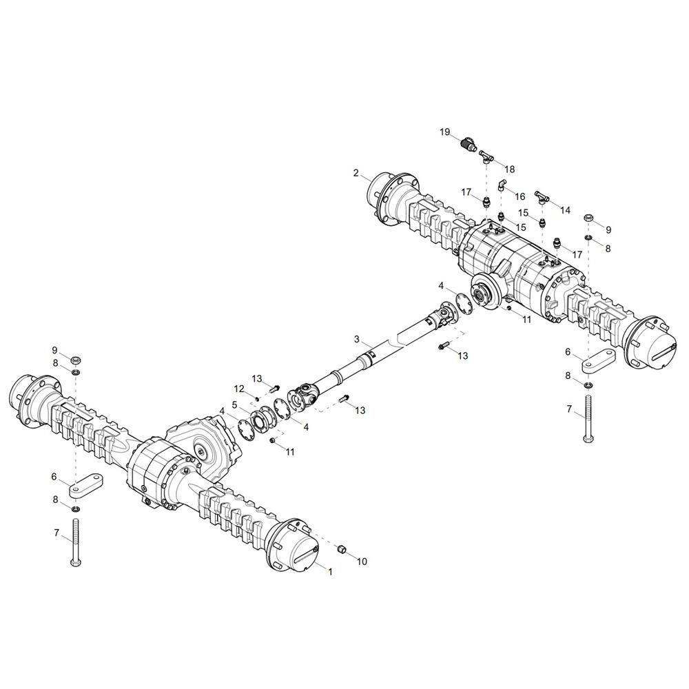
The Axle Assembly for the Wacker DV45 Dumper is designed to ensure optimal performance and durability. This assembly includes key components such as bearings, seals, and shafts, which are essential for the smooth operation of the dumper. Regular maintenance of these parts helps in reducing wear and extending the lifespan of the equipment.
Reviews
Add a review
Write Your Own Review
Ask a Question
Customer Questions

