Description
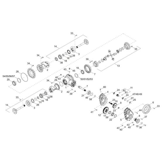
The Rear Axle Assembly for the Wacker DW15e Dumper is designed to ensure optimal performance and durability. This assembly includes key components such as bearings, seals, and shafts, which are essential for smooth operation and load handling. Regular maintenance of these parts helps in prolonging the life of the dumper and enhancing its efficiency in various construction tasks.
Reviews
Add a review
Write Your Own Review
Ask a Question
Customer Questions

