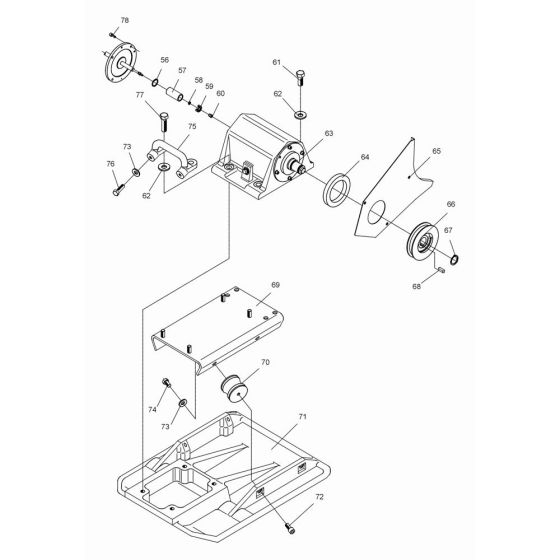
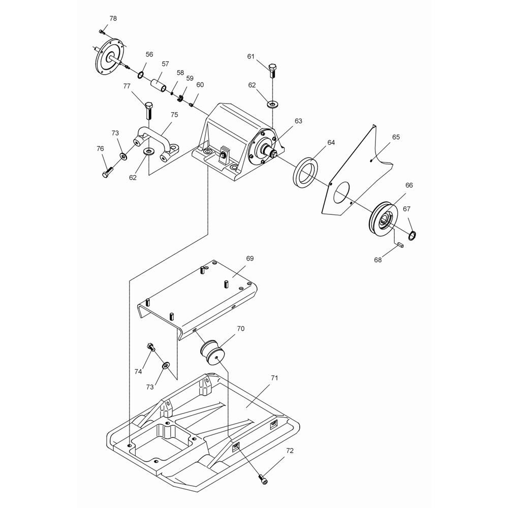
Description
The Baseplate Assembly for the Wacker DPS3050 Plate Compactor is essential for effective soil compaction. This assembly includes components that ensure the machine operates smoothly and efficiently, reducing vibration and enhancing stability. Genuine Wacker Neuson parts are used to maintain the integrity and performance of the compactor.
Reviews
Add a review
Write Your Own Review
Ask a Question
Customer Questions

