Description
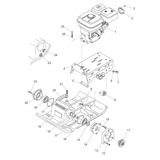
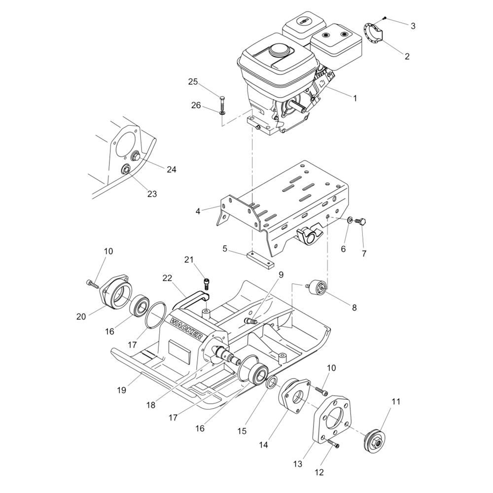
The Baseplate Assembly for the Wacker VPA1740 Compactor is designed to ensure optimal performance and longevity. This assembly includes key components such as the baseplate, shock mounts, and fasteners, which work together to provide stability and efficient compaction. Suitable for maintaining and repairing your compactor, these genuine Wacker Neuson parts help in reducing wear and tear during operation.
Reviews
Add a review
Write Your Own Review
Ask a Question
Customer Questions

