Description
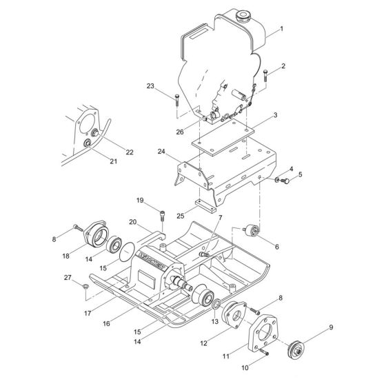
The Baseplate Assembly for the Wacker VPY1740 Compactor is essential for maintaining optimal performance. This assembly includes key components such as the baseplate, vibration dampers, and mounting brackets, ensuring effective compaction and stability. Designed for the Wacker Neuson Forward Plate Compactor, these parts help reduce wear and enhance durability, making them crucial for construction and landscaping tasks.
Reviews
Add a review
Write Your Own Review
Ask a Question
Customer Questions

