Description
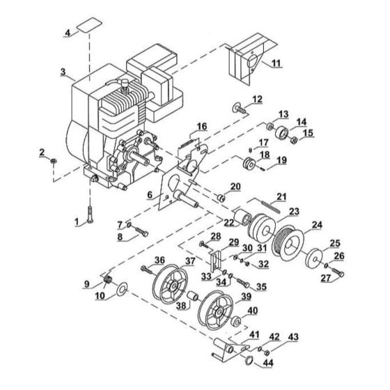
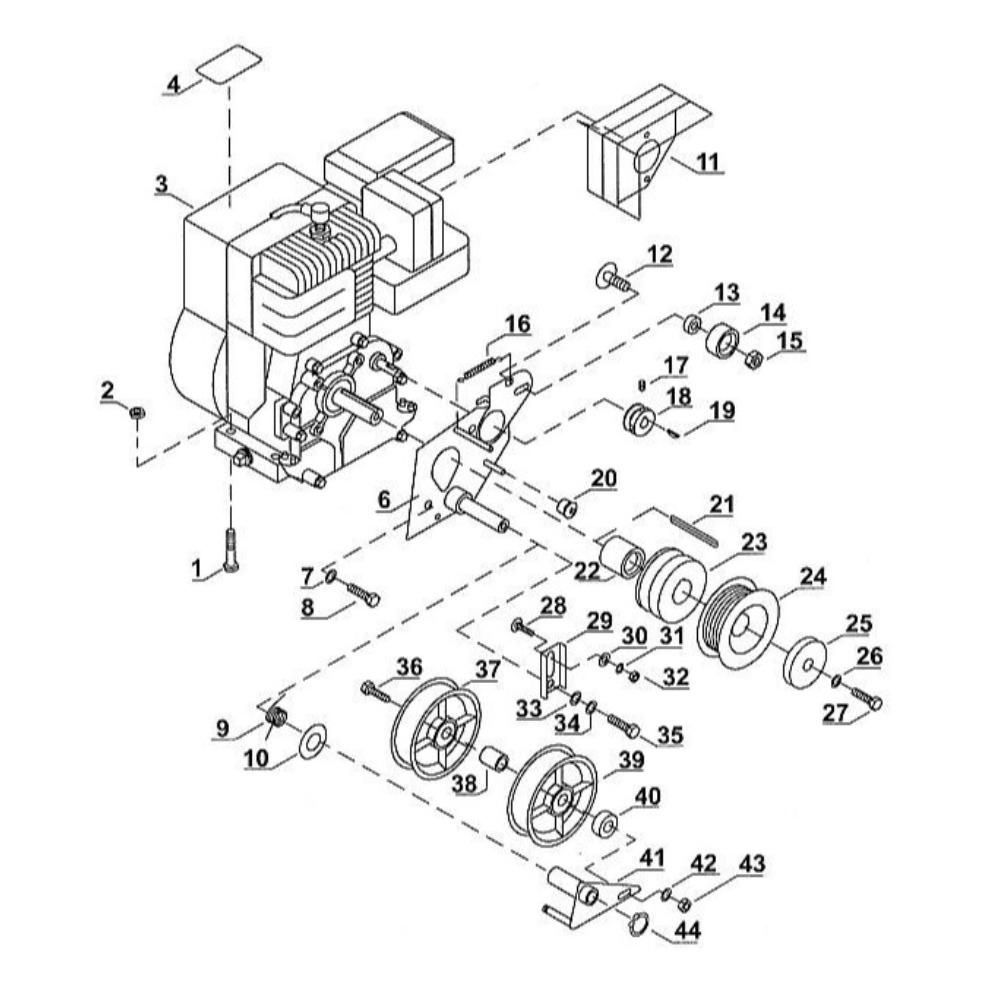
The Basic Unit Engine Assembly for Viking LE 240 Lawn Scarifiers is a genuine Viking part designed to ensure optimal performance. This assembly includes key components necessary for the efficient operation of your scarifier, such as gaskets, springs, and levers. Regular maintenance with these parts helps maintain the machine's reliability and longevity.
Reviews
Add a review
Write Your Own Review
Ask a Question
Customer Questions

