Description
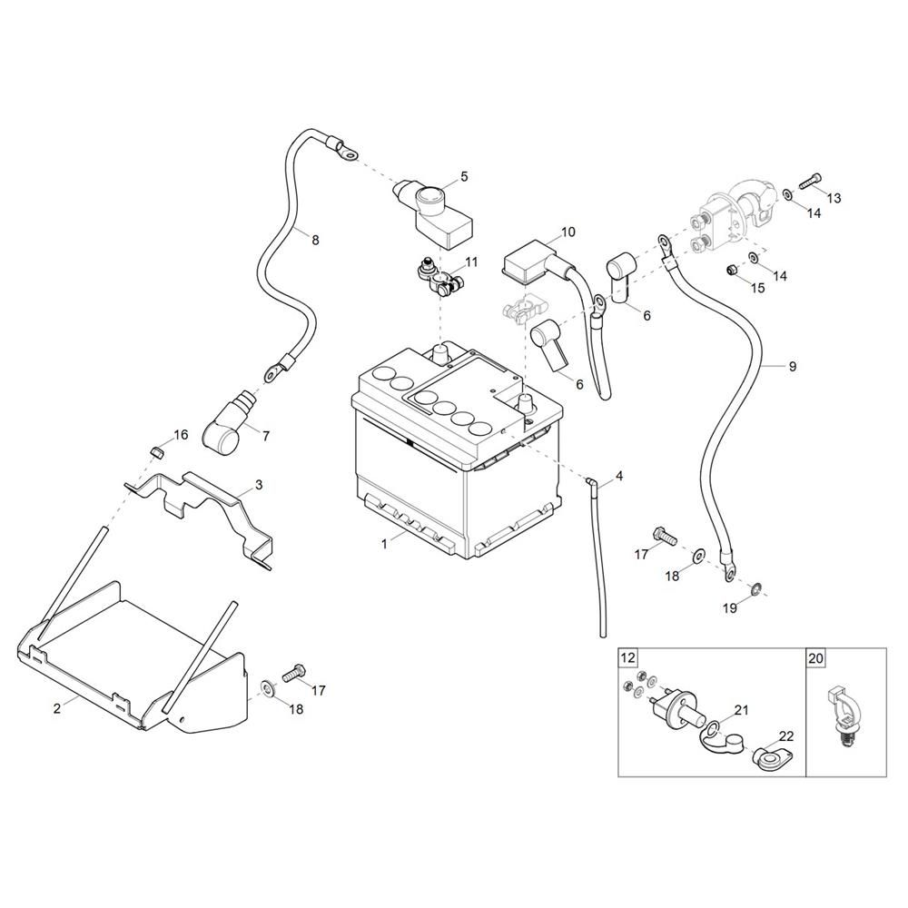
The Battery Assembly for the Wacker EZ26-2 Mini Excavator is designed to ensure reliable power supply and optimal performance. This assembly includes essential components that facilitate efficient energy storage and distribution, crucial for the excavator's operation. Genuine Wacker Neuson parts ensure compatibility and durability, maintaining the machine's functionality.
Reviews
Add a review
Write Your Own Review
Ask a Question
Customer Questions

