Description
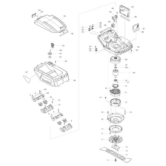
The Battery and Motor Assembly for the Makita DLM462 Mower includes key components to ensure efficient operation and longevity. This assembly is crucial for powering the cordless lawnmower, providing reliable energy transfer and motor function. Genuine Makita parts are available, ensuring compatibility and performance.
Reviews
Add a review
Write Your Own Review
Ask a Question
Customer Questions

