Description
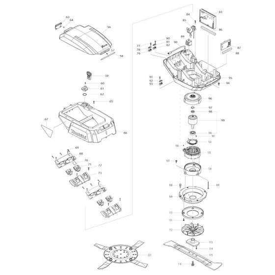
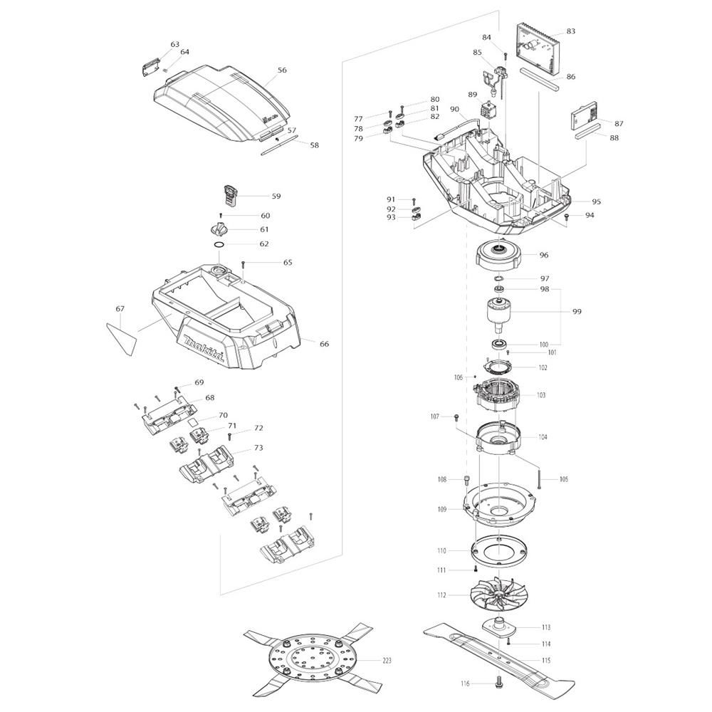
The Battery and Motor Assembly for the Makita DLM532 Mower includes essential components to ensure efficient operation and longevity. This assembly is crucial for maintaining the mower's performance, providing power and drive. Components such as the motor, battery, and connectors are available to support routine maintenance and repairs.
Reviews
Add a review
Write Your Own Review
Ask a Question
Customer Questions

