Description
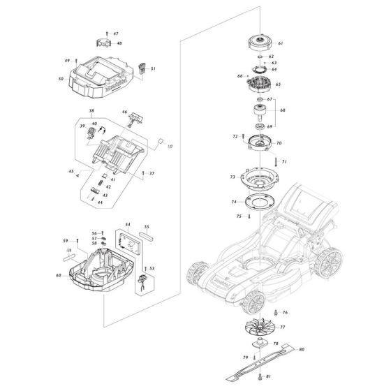
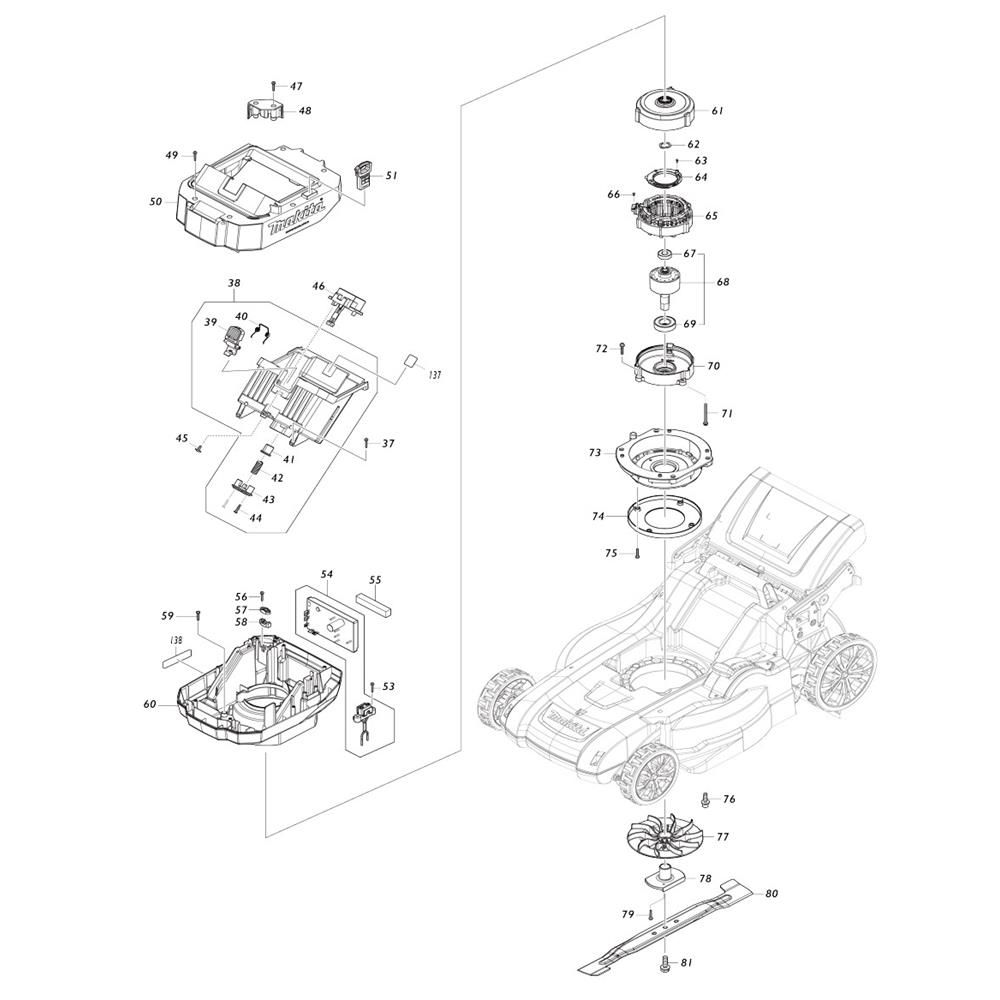
The Battery and Motor Assembly for the Makita LM002J Mower ensures efficient operation and longevity. This assembly includes key components such as the battery, motor, and connecting parts, designed to deliver optimal power and performance. Suitable for routine maintenance and repairs, it supports the mower's cordless functionality, enhancing cutting efficiency and reliability.
Reviews
Add a review
Write Your Own Review
Ask a Question
Customer Questions

