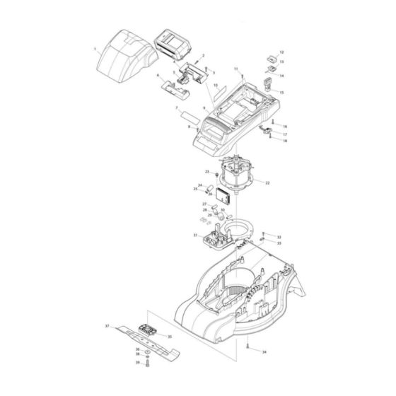
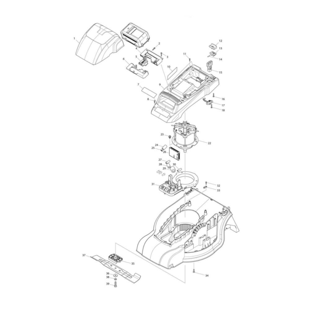
Description
The Battery and Motor Assembly for the Makita LM381D Mower includes key components essential for efficient operation. This assembly ensures the cordless lawnmower functions optimally, providing power and drive. Genuine Makita parts are designed to fit perfectly, maintaining the mower's performance and reliability. Components may include the battery, motor, connectors, and housing.
Reviews
Add a review
Write Your Own Review
Ask a Question
Customer Questions

