Description
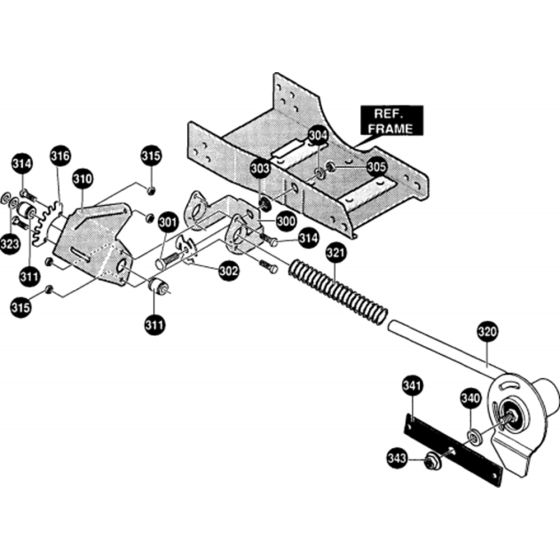
The Blade Drive & Depth Control Assembly for the Husqvarna LE309 Wheeled Edger is essential for precise edging and efficient operation. It includes components that manage blade engagement and cutting depth, ensuring optimal performance. Options are available in both genuine and non-genuine parts to suit various maintenance needs.
Reviews
Add a review
Write Your Own Review
Ask a Question
Customer Questions

