Description
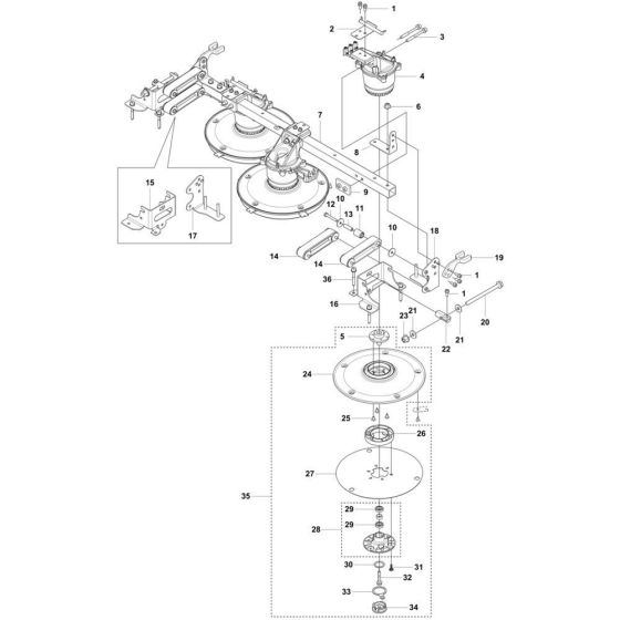
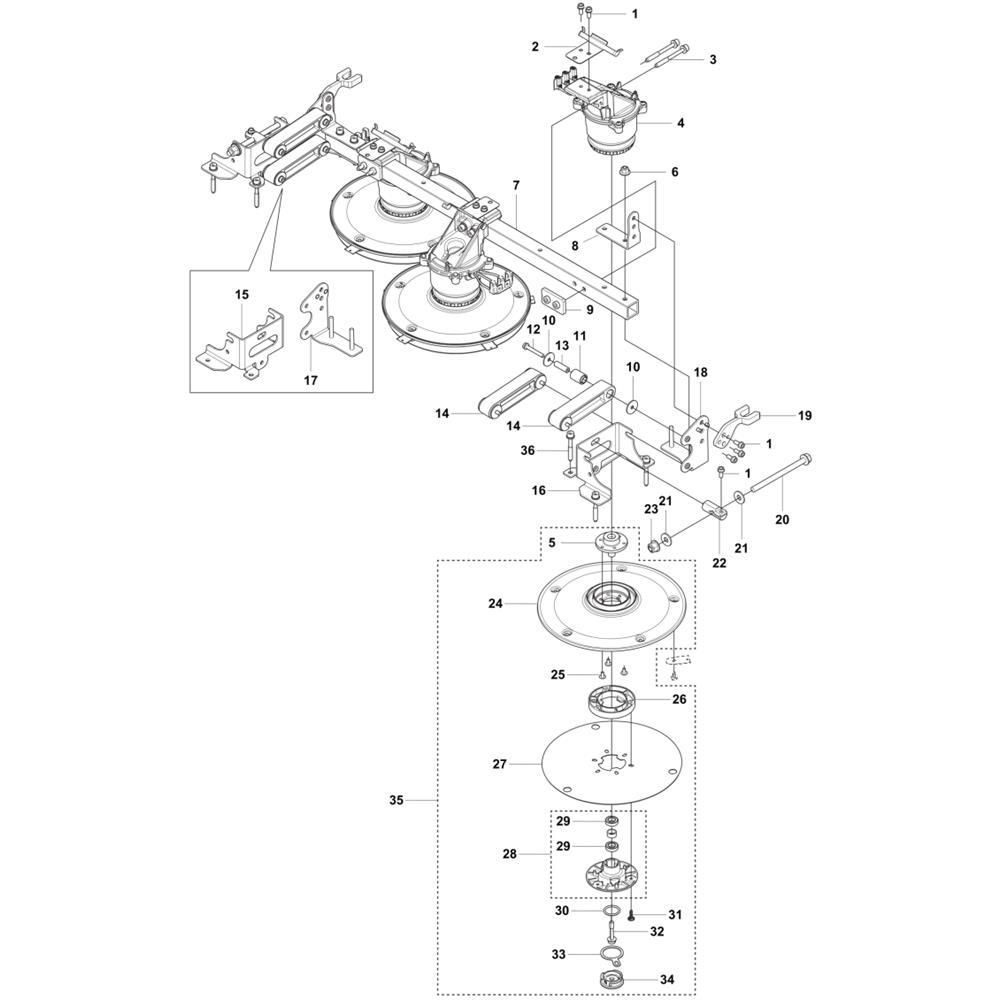
The Blade Motor and Cutting Equipment for the Husqvarna RZ-43M Robotic Mower are essential for maintaining optimal cutting performance. These components ensure precise grass trimming and efficient operation. Genuine Husqvarna parts are designed for durability and compatibility, providing reliable service for your robotic mower.
Reviews
Add a review
Write Your Own Review
Ask a Question
Customer Questions

