Description
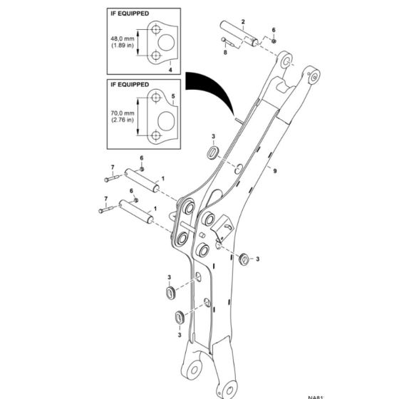
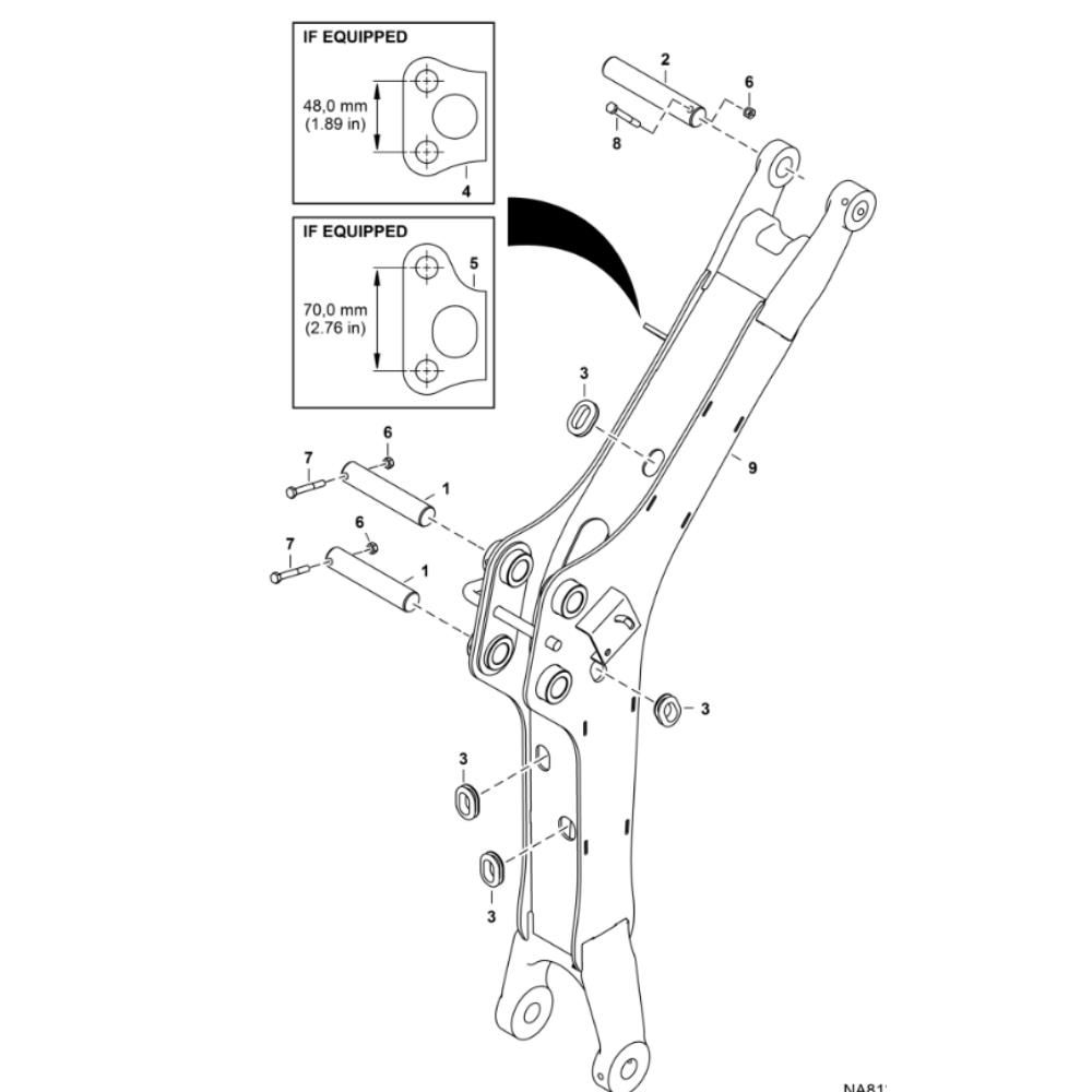
The Boom Assembly for BobCat E10 Mini Excavators is designed to enhance the machine's digging capabilities. This assembly includes critical components such as hydraulic cylinders, pins, and bushings, ensuring efficient operation and durability. Suitable for models with serial numbers A33P11001 to A33P17234, it supports various excavation tasks with precision and reliability.
Reviews
Add a review
Write Your Own Review
Ask a Question
Customer Questions

