Description
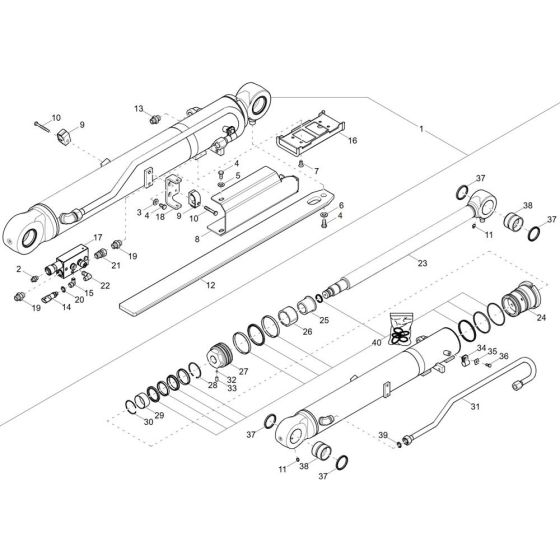
The Boom Cylinder Assembly for the Wacker EW65 Mini Excavator is crucial for the machine's hydraulic function, enabling efficient lifting and movement. This assembly includes components such as seals, pistons, and rods, ensuring optimal performance and durability. Designed for precise operation, it supports various excavation tasks, maintaining the excavator's reliability and efficiency.
Reviews
Add a review
Write Your Own Review
Ask a Question
Customer Questions

