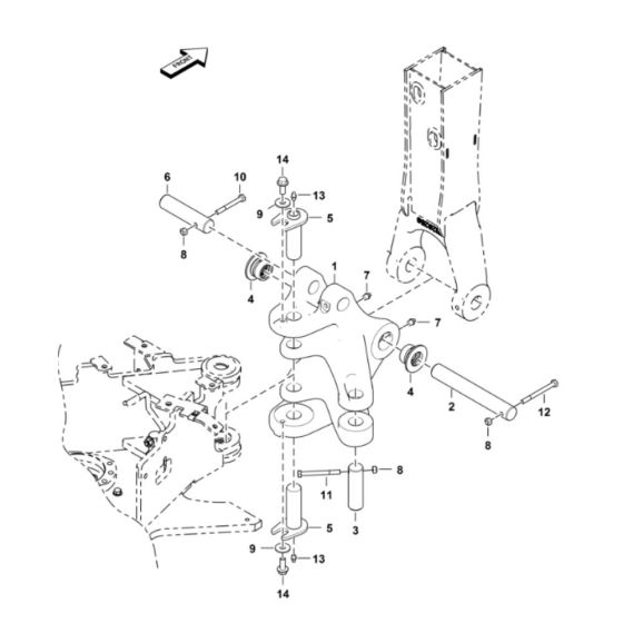
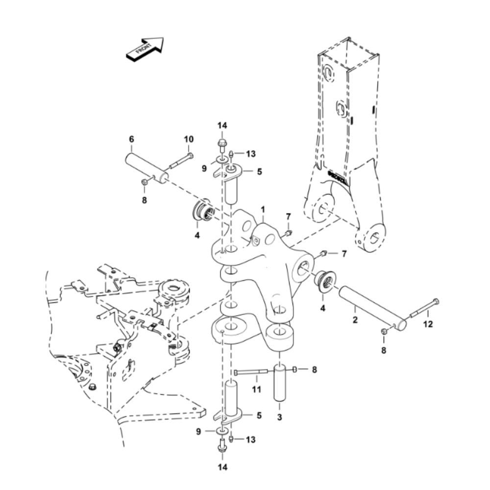
Description
The Boom Swing Frame Assembly for BobCat E10 Mini Excavators is designed to facilitate smooth and efficient operation. This assembly includes key components that ensure the boom's stability and movement, such as pins, bushings, and brackets. Suitable for models with serial numbers A33P11001 to A33P17234, it supports both genuine and non-genuine parts for maintenance and repair.
Reviews
Add a review
Write Your Own Review
Ask a Question
Customer Questions

