Description
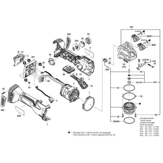
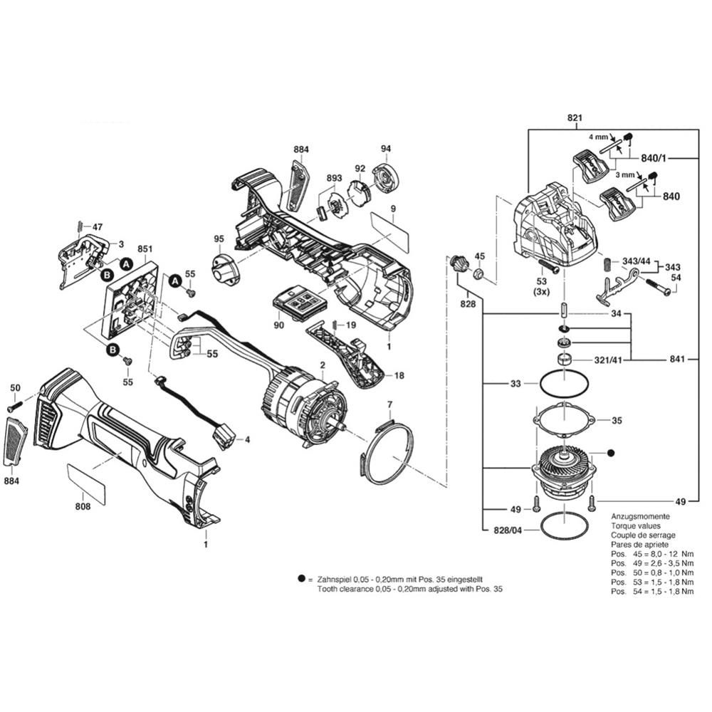
The Bosch GWX-18V-15-SC Assembly includes genuine spare parts designed to maintain the performance and longevity of your power tool. This assembly is crucial for ensuring optimal operation, featuring components such as gears, switches, and housings. Ideal for routine maintenance and repairs, these parts help keep your equipment running smoothly.
Reviews
Add a review
Write Your Own Review
Ask a Question
Customer Questions

