Description
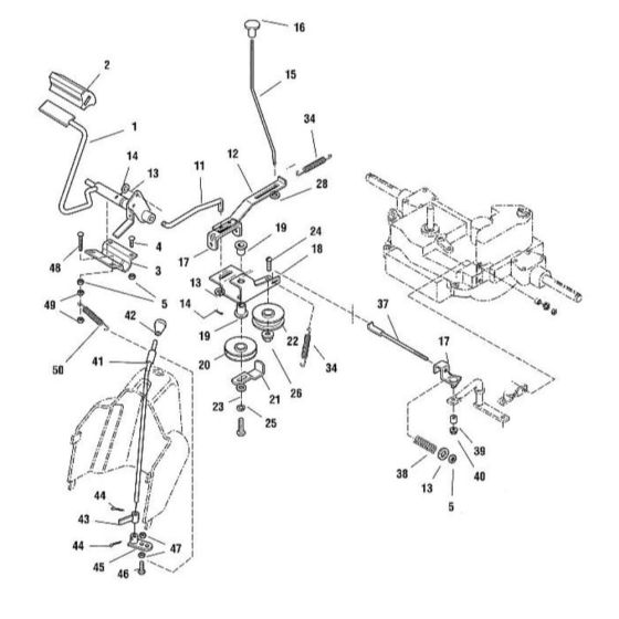
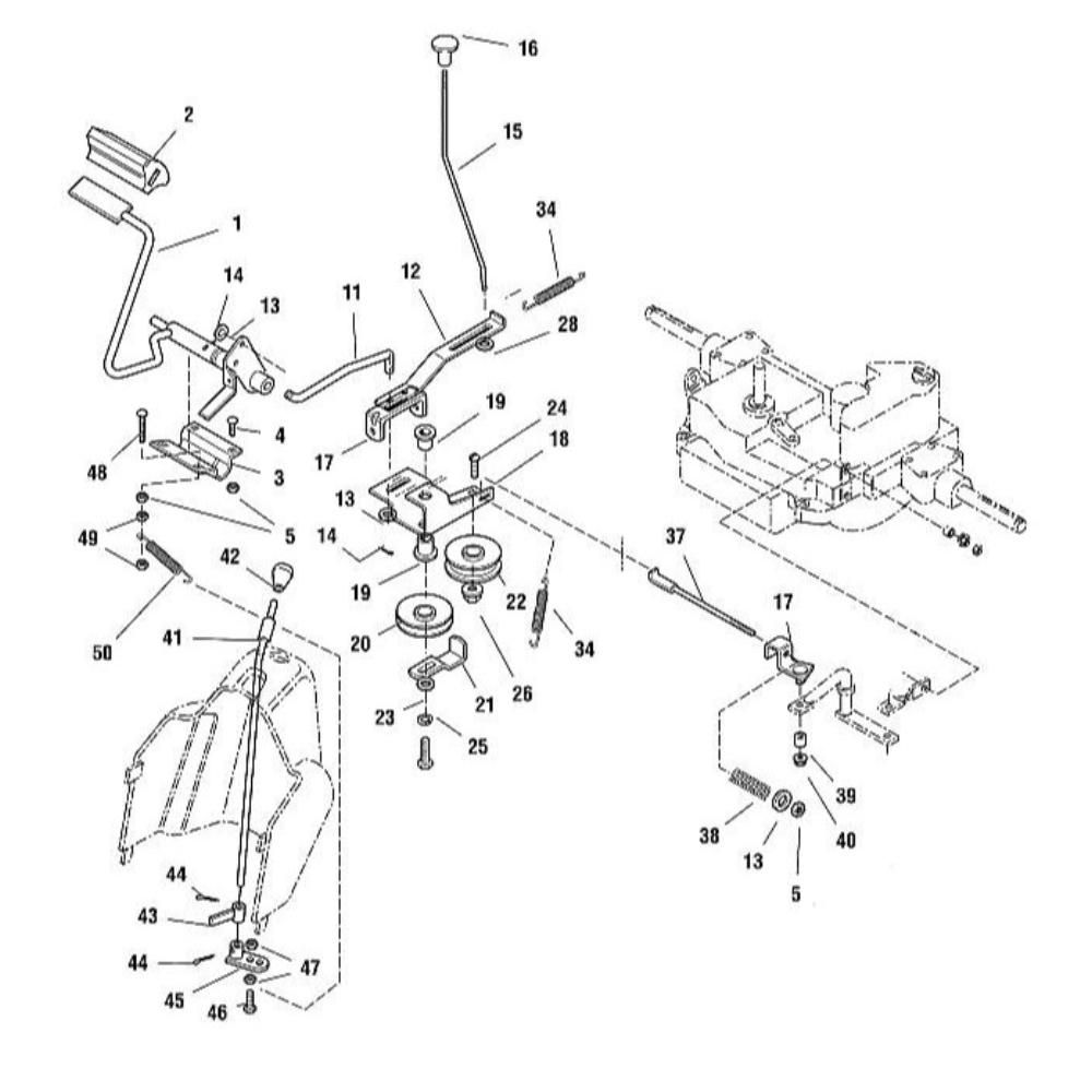
The Brake and Gearbox Control Assembly for Viking MT 820 Ride on Mowers ensures optimal performance and safety. This genuine Viking part includes components such as levers, cables, and springs, crucial for controlling the mower's speed and stopping power. Designed for durability and reliability, it helps maintain the smooth operation of your mower.
Reviews
Add a review
Write Your Own Review
Ask a Question
Customer Questions

