Description
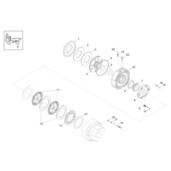
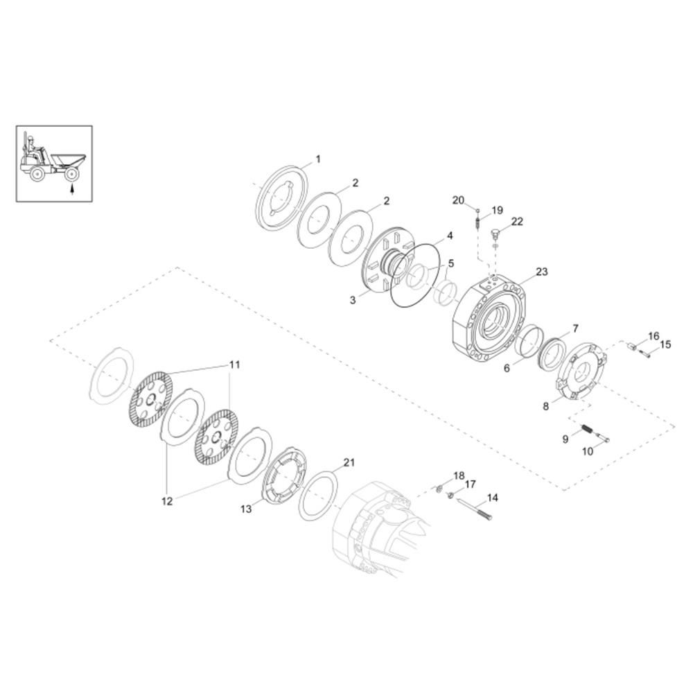
The Brake Assembly for the Wacker DV100 Dumper is essential for maintaining safe and effective braking performance. This assembly includes components such as brake pads, discs, and calipers, ensuring reliable operation in demanding conditions. Designed specifically for the Wacker Neuson Dumper, it helps to ensure optimal safety and functionality during use.
Reviews
Add a review
Write Your Own Review
Ask a Question
Customer Questions

