Description
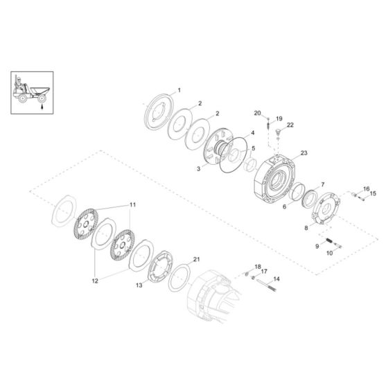
The Brake Assembly for the Wacker DV60 Dumper ensures optimal stopping power and safety during operation. This assembly includes key components such as brake pads, discs, and calipers, designed to work seamlessly with the Wacker Neuson system. Regular maintenance and replacement of these parts help maintain performance and extend the lifespan of your dumper.
Reviews
Add a review
Write Your Own Review
Ask a Question
Customer Questions

