Description
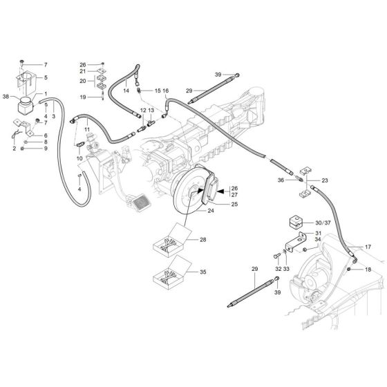
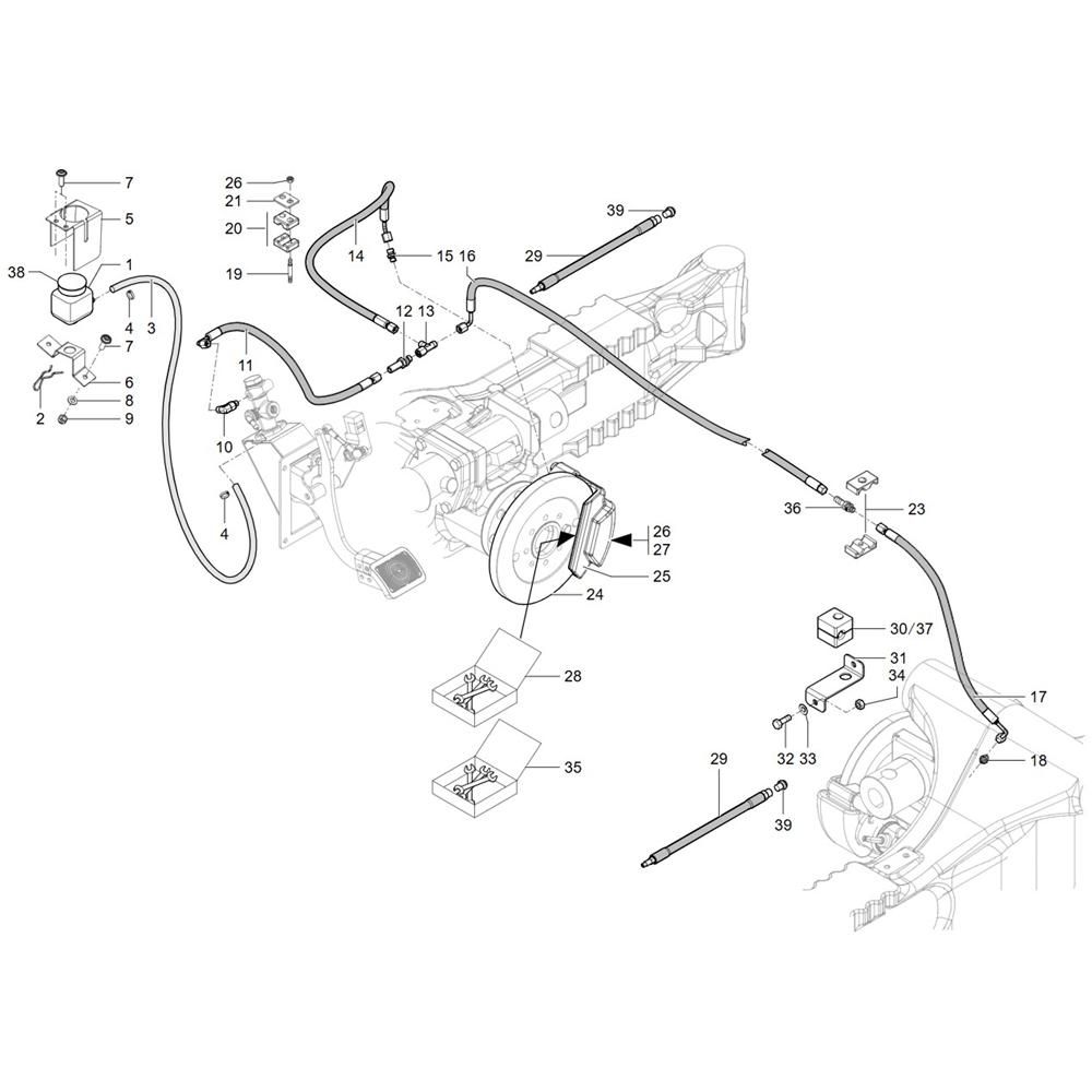
The Brake Assembly for the Wacker TH730 (415-14) Telehandler is designed to ensure optimal braking performance and safety. This assembly includes components such as brake pads, discs, and calipers, which work together to provide reliable stopping power. Regular maintenance of these parts is essential for the smooth operation of the telehandler, enhancing both safety and efficiency.
Reviews
Add a review
Write Your Own Review
Ask a Question
Customer Questions

