Description
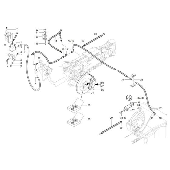
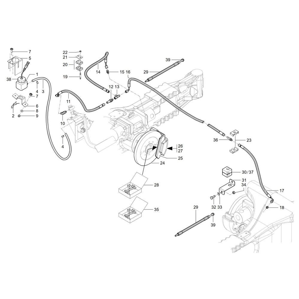
The Brake Assembly for the Wacker TH740 (415-27) Telehandler is essential for maintaining optimal braking performance. This assembly includes key components such as brake pads, discs, and calipers, ensuring the telehandler operates safely and efficiently. Designed for durability and reliability, these parts help in reducing wear and tear, providing consistent stopping power under various conditions.
Reviews
Add a review
Write Your Own Review
Ask a Question
Customer Questions

