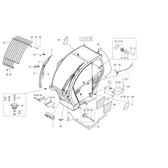
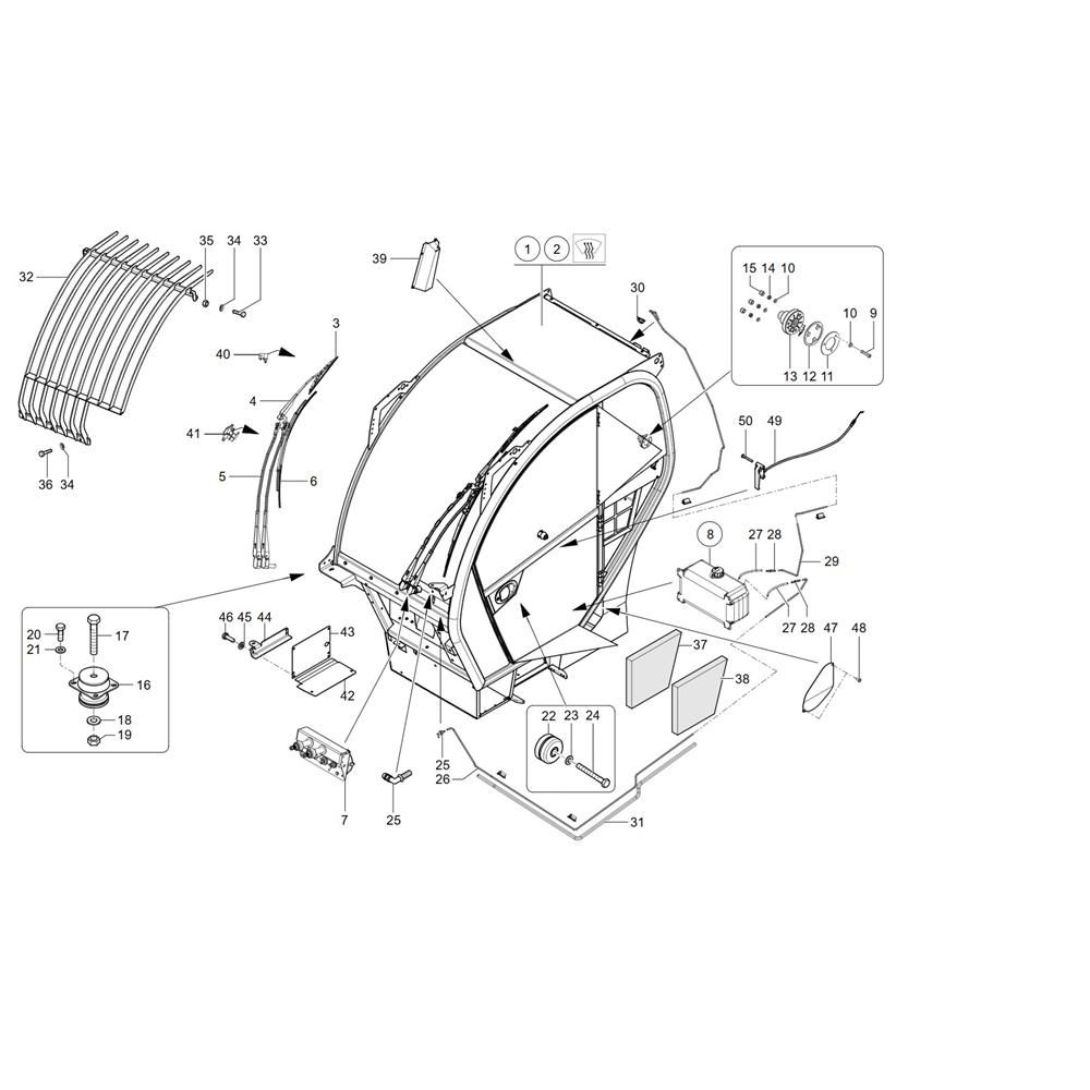
Description
The Cabin Assembly for the Wacker TH730 (415-14) Telehandler is designed to enhance operator comfort and safety. This assembly includes key components such as seats, control panels, and windows, ensuring optimal functionality and visibility. Genuine Wacker Neuson parts are used to maintain the telehandler's performance and reliability in various working conditions.
Reviews
Add a review
Write Your Own Review
Ask a Question
Customer Questions

