Description
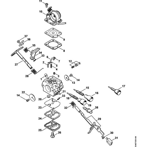
The Carburetor Assembly for Stihl MS181 and MS181C Chainsaws includes models C1Q-S239 and C1Q-S192, ensuring optimal engine performance. This assembly regulates the air-fuel mixture, crucial for efficient operation. Components such as gaskets, diaphragms, and springs are available, catering to both genuine and non-genuine parts. Regular maintenance helps maintain power and reliability.
Reviews
Add a review
Write Your Own Review
Ask a Question
Customer Questions

