Description
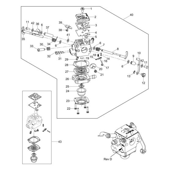
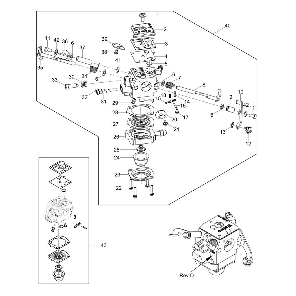
The Carburettor Assembly for the Wacker BS70-2i Trench Rammer is essential for optimal engine performance. This assembly ensures efficient fuel mixing and delivery, crucial for maintaining the machine's power and reliability. Components may include gaskets, springs, and levers, all designed to fit seamlessly with the Wacker Neuson model. Regular maintenance with genuine parts helps extend the lifespan of your equipment.
Reviews
Add a review
Write Your Own Review
Ask a Question
Customer Questions

