Description
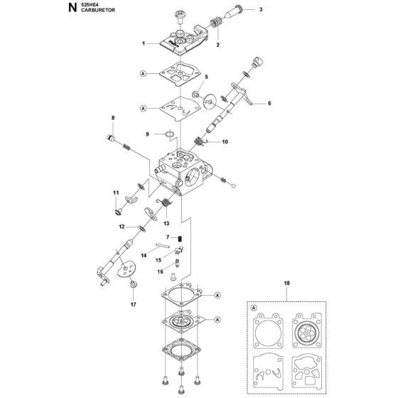
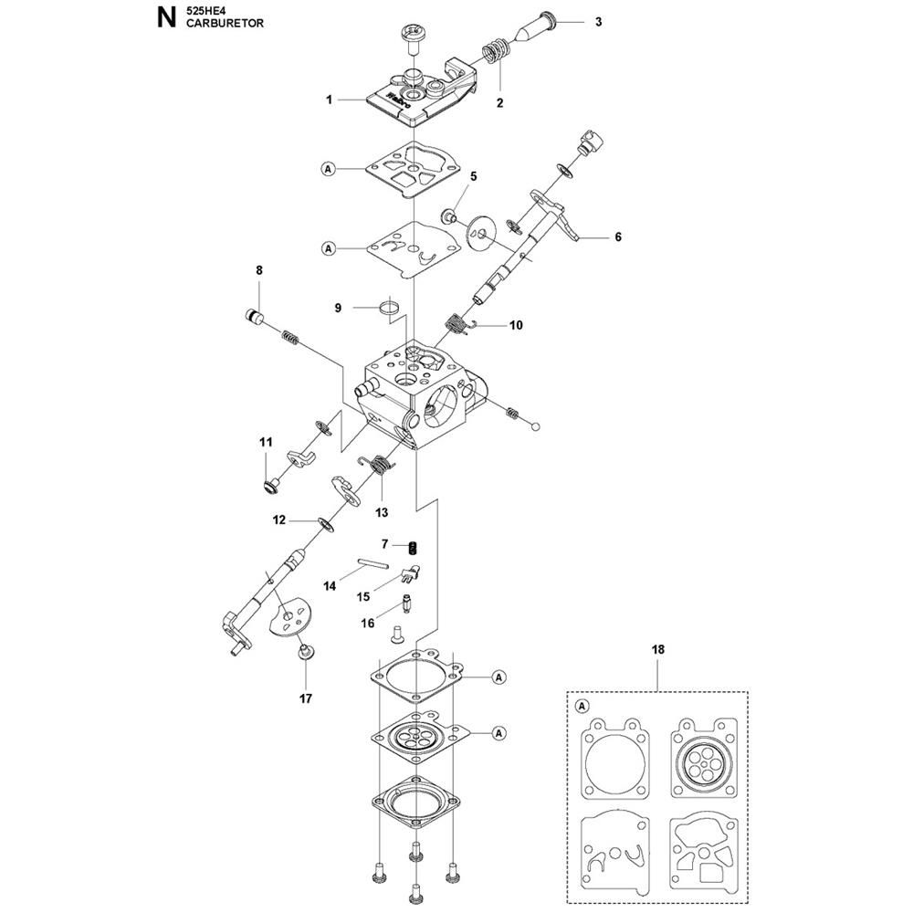
The Carburettor Assembly for the Husqvarna 525HE4 Hedgetrimmer is designed to ensure optimal fuel delivery and engine performance. This assembly includes key components such as gaskets, springs, and levers, which are essential for maintaining the efficiency and reliability of your hedgetrimmer. Genuine Husqvarna parts ensure compatibility and durability, supporting routine maintenance and repairs.
Reviews
Add a review
Write Your Own Review
Ask a Question
Customer Questions

