Description
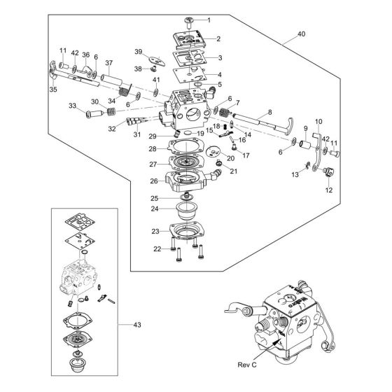
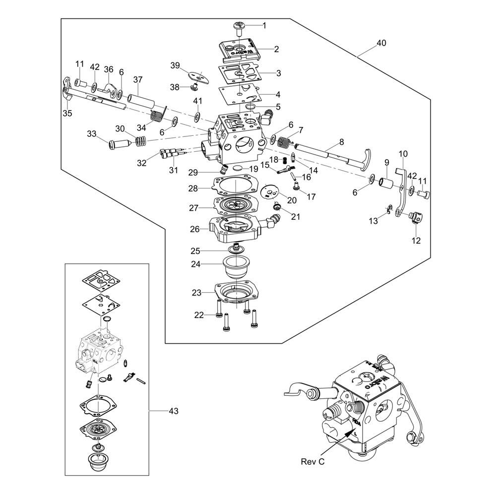
The Carburettor Assembly for the Wacker BS70-2i Trench Rammer is designed to ensure optimal fuel-air mixture for efficient engine performance. This assembly includes key components such as gaskets, springs, and levers, essential for maintaining the rammer's reliability and longevity. Genuine Wacker Neuson parts ensure compatibility and durability.
Reviews
Add a review
Write Your Own Review
Ask a Question
Customer Questions

