Description
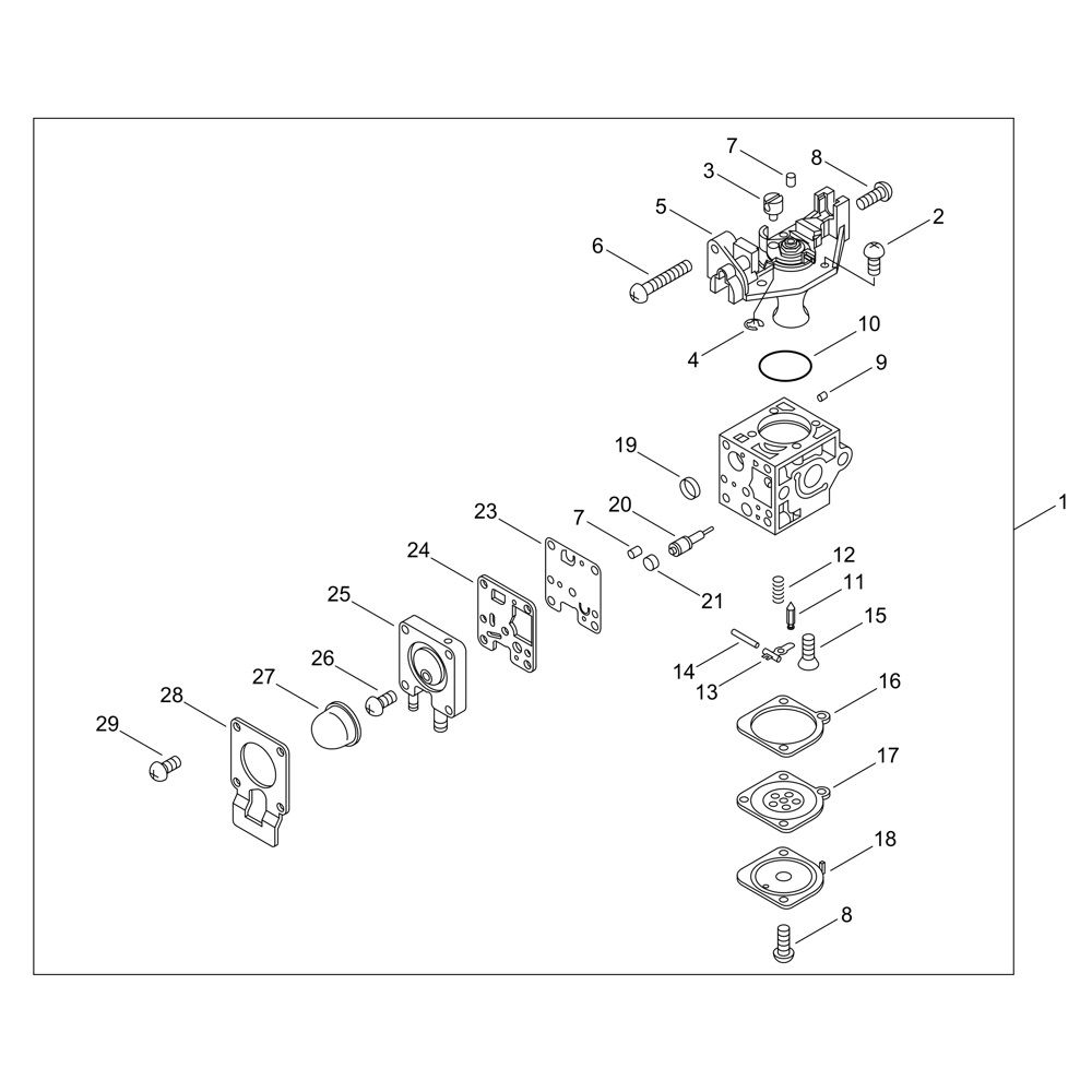
The carburettor for the ECHO SRM-235ES/L Brushcutter is essential for optimal fuel and air mixture, ensuring efficient engine performance. Designed for routine maintenance and repair, it includes components such as gaskets, springs, and levers. Available in both genuine and non-genuine parts, this carburettor helps maintain the reliability and longevity of your brushcutter.
Reviews
Add a review
Write Your Own Review
Ask a Question
Customer Questions

