Description
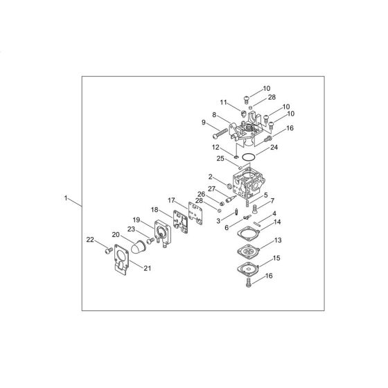
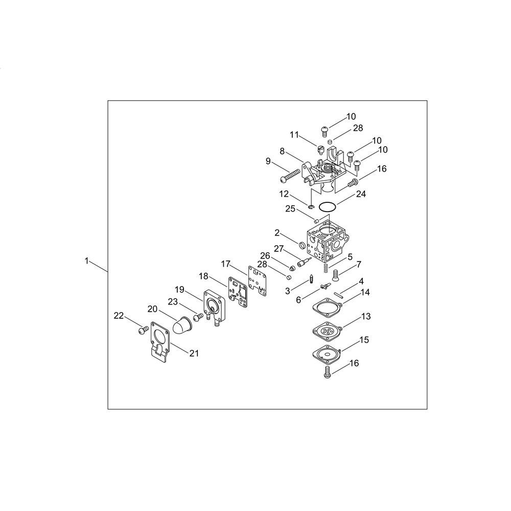
The carburettor for the ECHO SRM-265TES/U Brushcutter is essential for optimal engine performance, mixing air and fuel in the correct ratio. This component ensures efficient operation and longevity of the brushcutter. Available in both genuine and non-genuine parts, it includes various components such as gaskets, springs, and levers to suit different maintenance needs.
Reviews
Add a review
Write Your Own Review
Ask a Question
Customer Questions

