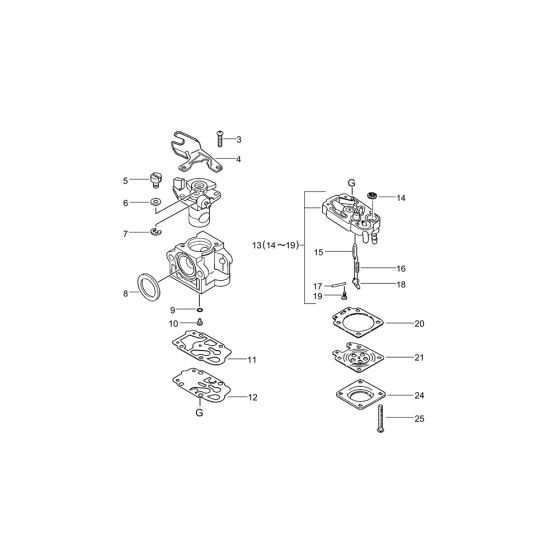
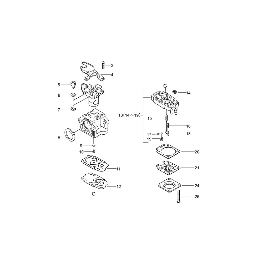
Description
The carburettor for the ECHO SRM-350ES/L Brushcutter is designed to ensure optimal fuel and air mixture for efficient engine performance. This component is crucial for maintaining the brushcutter's reliability and longevity. Available in both genuine and non-genuine parts, it includes elements such as gaskets, diaphragms, and adjustment screws to suit various maintenance needs.
Reviews
Add a review
Write Your Own Review
Ask a Question
Customer Questions

