Description
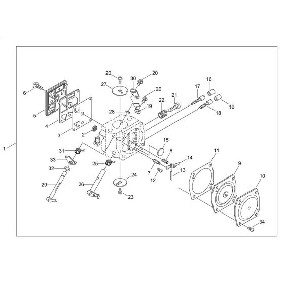
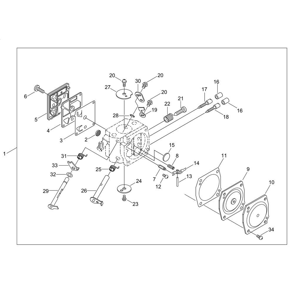
The carburettor for the Shindaiwa 601SX Chainsaw is a vital component ensuring efficient fuel mixing and engine performance. Designed to maintain optimal operation, it helps regulate air and fuel flow, crucial for reliable cutting tasks. Genuine Shindaiwa parts ensure compatibility and longevity, supporting the chainsaw's demanding use in forestry and landscaping.
Reviews
Add a review
Write Your Own Review
Ask a Question
Customer Questions

