Description
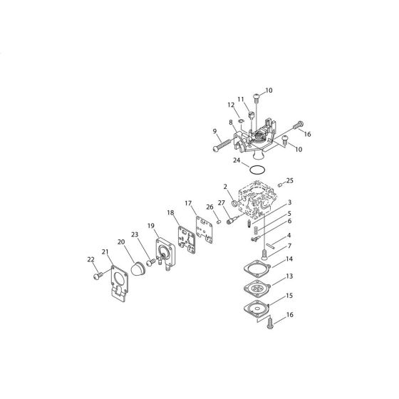
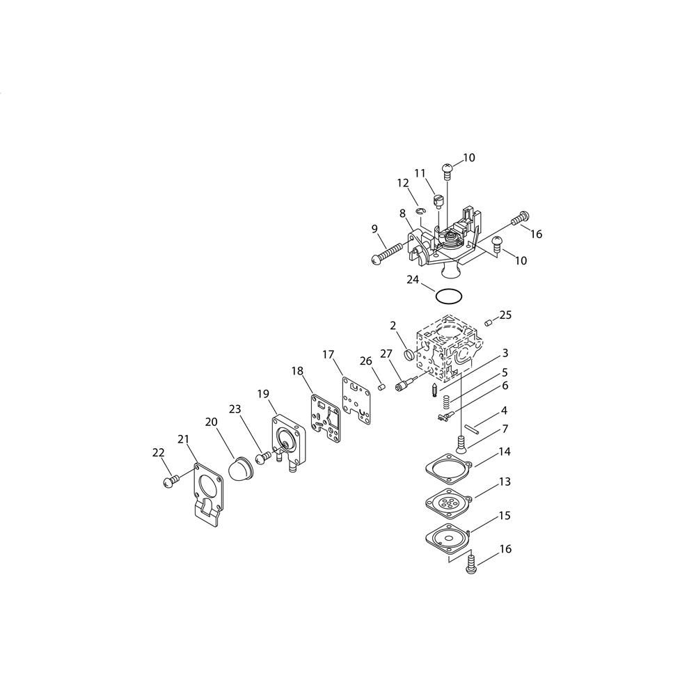
The carburettor for the Shindaiwa DH221 Hedgetrimmer is essential for optimal fuel and air mixing, ensuring efficient engine performance. This genuine Shindaiwa part is designed to maintain the reliability and longevity of your hedgetrimmer. Regular maintenance of the carburettor can help prevent engine issues and improve fuel efficiency.
Reviews
Add a review
Write Your Own Review
Ask a Question
Customer Questions

