Description
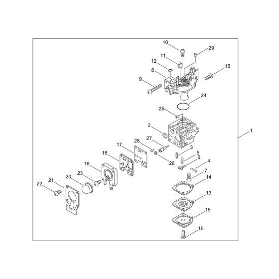
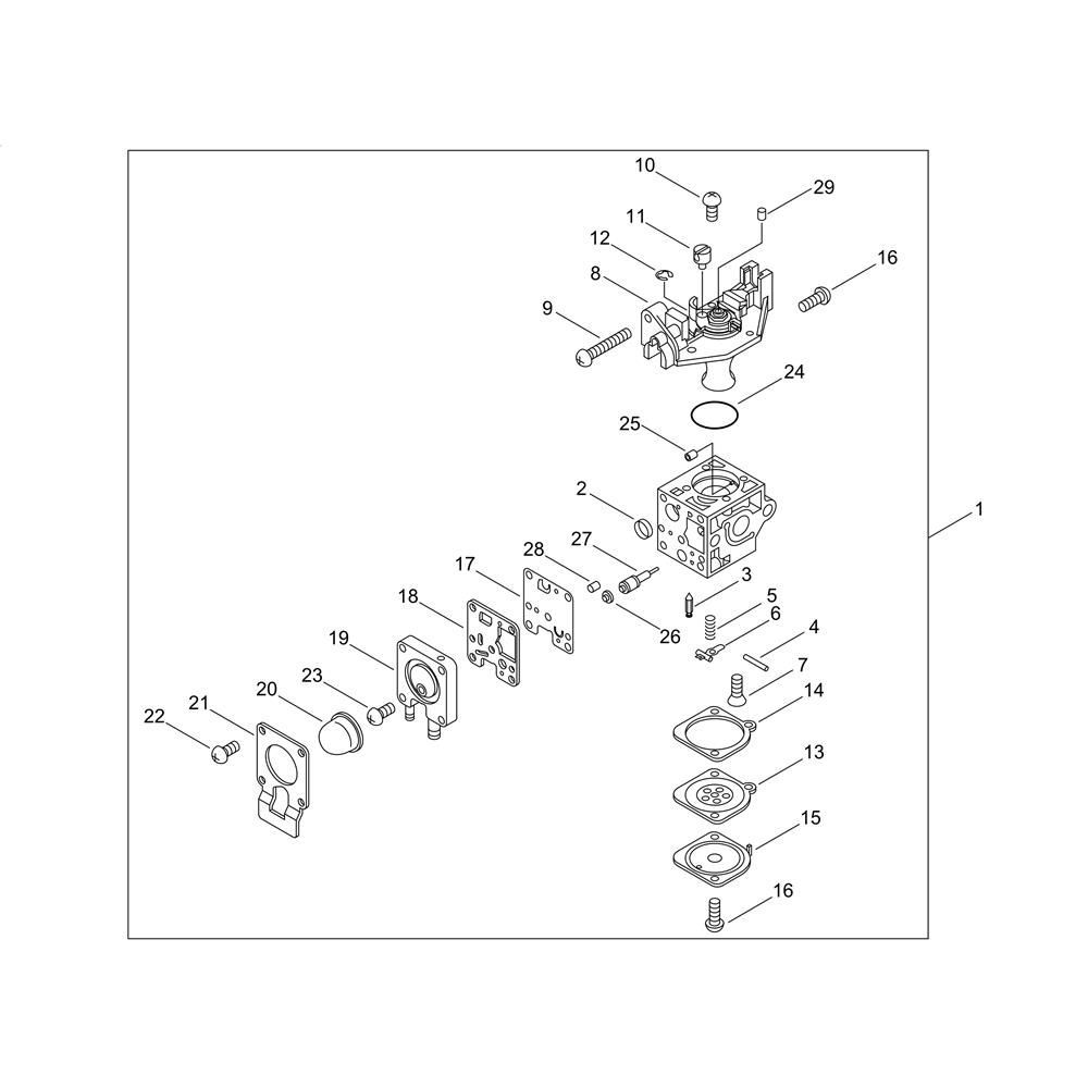
The carburettor for the Shindaiwa DH232ST Hedgetrimmer is essential for optimal fuel-air mixture, ensuring efficient engine performance. This component is crucial for maintaining the hedgetrimmer's reliability and longevity. Genuine Shindaiwa parts are designed to fit perfectly, providing consistent operation and reducing the risk of engine damage.
Reviews
Add a review
Write Your Own Review
Ask a Question
Customer Questions

