Description
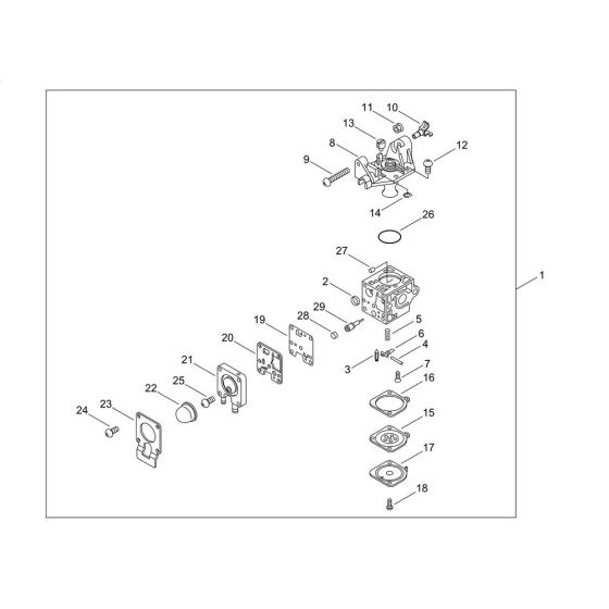
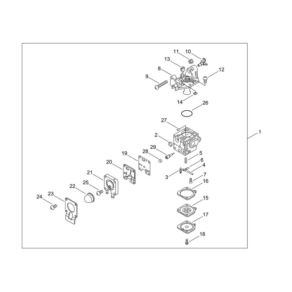
The carburettor for the Shindaiwa EBS256S Blower is a crucial component that ensures optimal fuel and air mixture for efficient engine performance. Designed to maintain the blower's reliability, it includes parts such as gaskets, diaphragms, and adjustment screws. Regular maintenance of the carburettor helps in achieving consistent power output and fuel efficiency.
Reviews
Add a review
Write Your Own Review
Ask a Question
Customer Questions

