Description
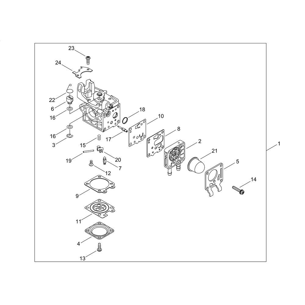
The carburettor for the Shindaiwa T302TS Brushcutter is essential for optimal engine performance. It mixes air and fuel in the correct ratio to ensure efficient combustion. This genuine Shindaiwa part helps maintain the brushcutter's reliability and longevity. Regular maintenance of the carburettor can prevent engine issues and improve fuel efficiency.
Reviews
Add a review
Write Your Own Review
Ask a Question
Customer Questions

