Description
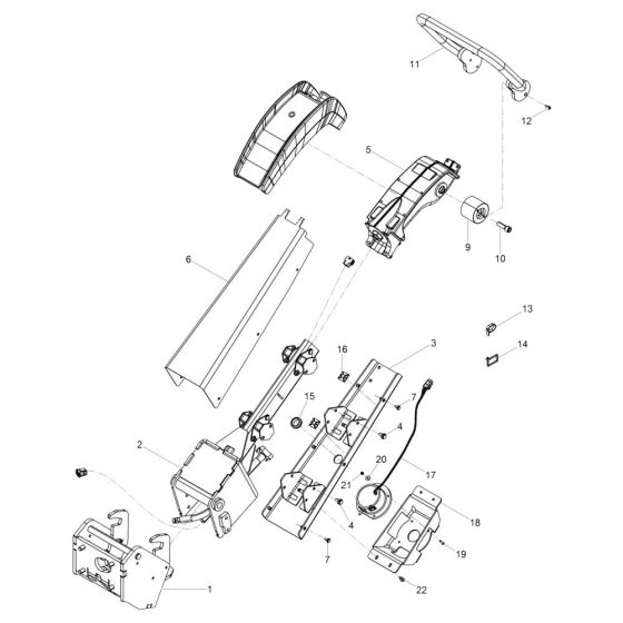
The Center Pole Assembly for the Wacker DPU110 Plate Compactor is crucial for optimal machine performance. This assembly includes components such as handles, brackets, and fasteners, ensuring stability and control during operation. Designed for the Wacker Neuson Reversible Plate Compactor, it supports efficient compaction tasks. Genuine parts ensure compatibility and durability, maintaining the machine's reliability.
Reviews
Add a review
Write Your Own Review
Ask a Question
Customer Questions

