Description
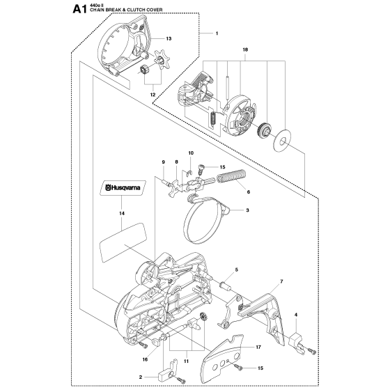
The Chain Brake & Clutch Cover Assembly for the Husqvarna 440eii Chainsaw is designed to enhance safety and performance. This assembly includes components that help stop the chain quickly and protect the clutch mechanism. Essential for maintaining the chainsaw's efficiency, it is available in both genuine and non-genuine parts to suit various needs.
Reviews
Add a review
Write Your Own Review
Ask a Question
Customer Questions

