Description
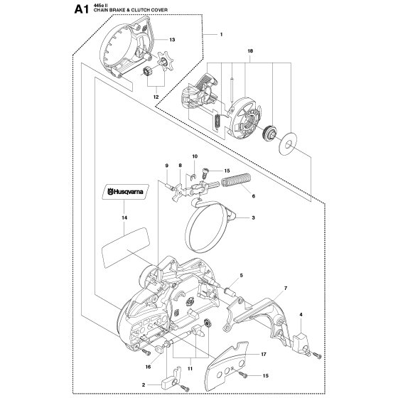
The Chain Brake & Clutch Cover Assembly for the Husqvarna 445eii Chainsaw is essential for safety and operational efficiency. It helps protect the user by stopping the chain in case of kickback and houses the clutch mechanism. Available in genuine and non-genuine parts, this assembly includes components like springs, levers, and covers, ensuring compatibility and performance.
Reviews
Add a review
Write Your Own Review
Ask a Question
Customer Questions

