Description
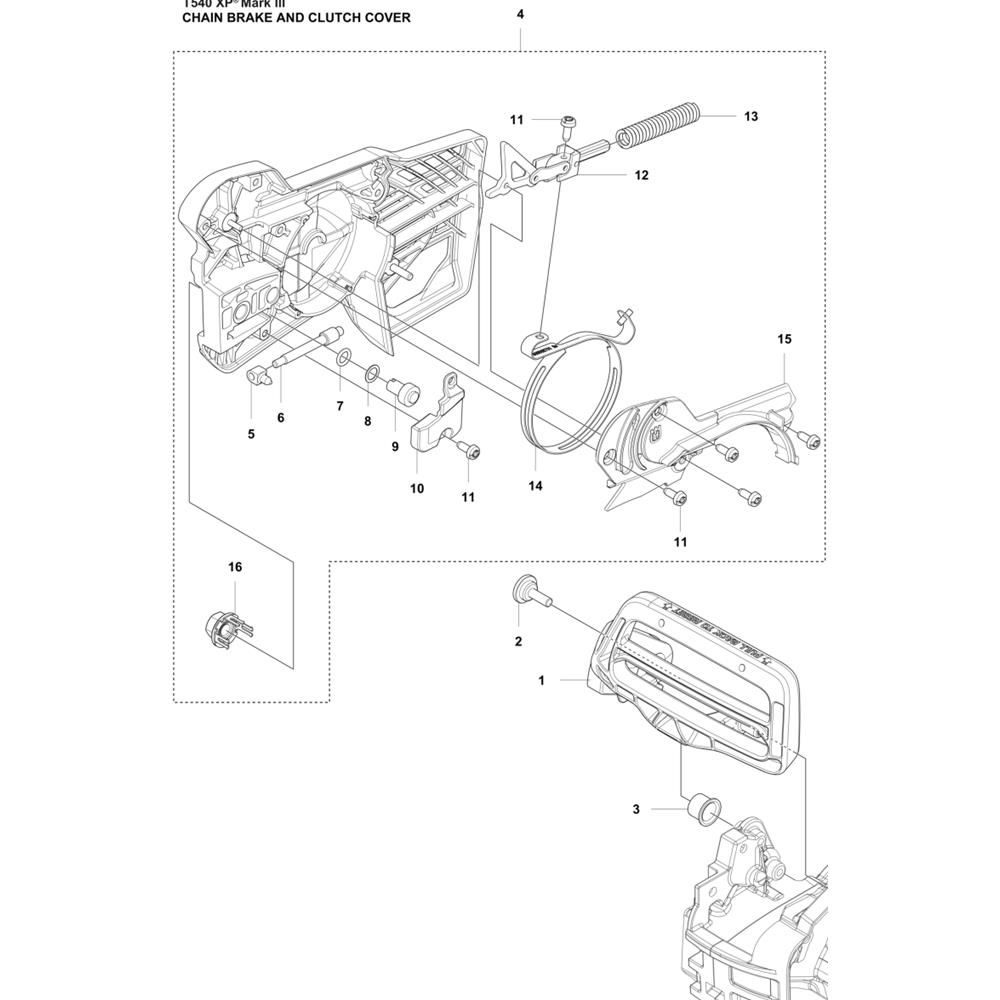
The Chain Brake and Clutch Cover Assembly for the Husqvarna T540XP Mark III Chainsaw is essential for maintaining safety and performance. This assembly includes key components like the chain brake mechanism and clutch cover, designed to protect the user and enhance the chainsaw's operation. Genuine Husqvarna parts ensure compatibility and reliability, supporting efficient cutting tasks.
Reviews
Add a review
Write Your Own Review
Ask a Question
Customer Questions

