Description
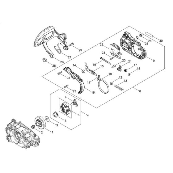
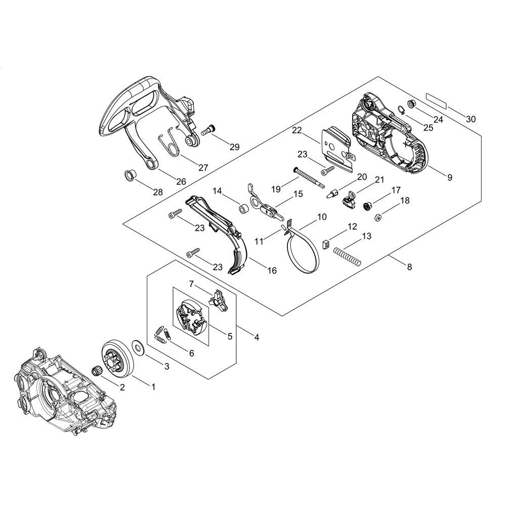
The chain brake for the Shindaiwa 251TCS Chainsaw is essential for safety and control during operation. It quickly stops the chain in case of kickback, reducing the risk of injury. This assembly includes components like the brake band, lever, and spring, ensuring reliable performance. Available in genuine and non-genuine parts to suit various maintenance needs.
Reviews
Add a review
Write Your Own Review
Ask a Question
Customer Questions

