Description
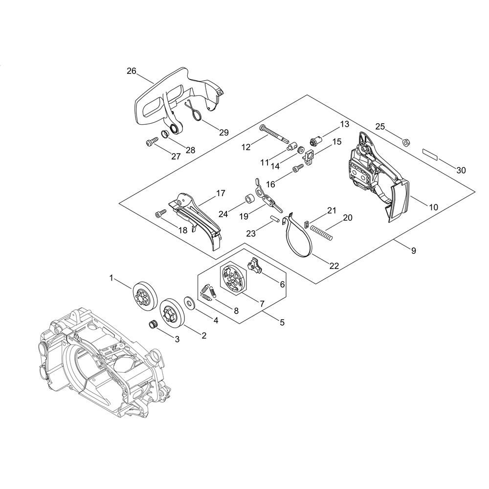
The chain brake for the Shindaiwa 362TS Chainsaw is crucial for safety and operational efficiency. It helps stop the chain quickly in emergencies, reducing the risk of accidents. This assembly includes various components such as springs, levers, and covers, ensuring the chainsaw operates smoothly. Available in genuine and non-genuine parts to suit different needs.
Reviews
Add a review
Write Your Own Review
Ask a Question
Customer Questions

